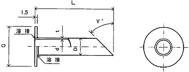
吹込管
FS型

注記 1)L、Y°寸法はご指示ください。
(単位mm)
| 呼径 | d | D | t | L | G(最大) | Y° | 備考 | |
|---|---|---|---|---|---|---|---|---|
| FS-19 | 19 | 22 | 1.5 | 38 | ||||
| FS-20 | 20 | 23 | 1.5 | 40 | ||||
| FS-23 | 23 | 27 | 2.0 | 46 | ||||
| FS-25 | 25 | 28 | 1.5 | 48 | ||||
| FS-26 | 26 | 29 | 1.5 | 50 | ||||
| FS-33 | 33 | 36 | 1.5 | 62 | ||||
| FS-39 | 39 | 42 | 1.5 | 72 | ||||
| FS-46 | 46 | 50 | 2.0 | 88 | ||||
| FS-49 | 49 | 53 | 2.0 | 92 |
※最大長さ1000L以上の場合はお問合せください。
FT型

注記 1)L.G1.Y°寸法はご指示ください。
(単位mm)
| 型式 | d | D | t | L | T | G1 | Y° | 備考 | |
|---|---|---|---|---|---|---|---|---|---|
| FS-19 | 19 | 22 | 1.5 | 5 | |||||
| FS-20 | 20 | 23 | 1.5 | ||||||
| FS-23 | 23 | 27 | 2.0 | ||||||
| FS-25 | 25 | 28 | 1.5 | ||||||
| FS-26 | 26 | 29 | 1.5 | ||||||
| FS-33 | 33 | 36 | 1.5 | ||||||
| FS-39 | 39 | 42 | 1.5 | ||||||
| FS-46 | 46 | 50 | 2.0 | ||||||
| FS-49 | 49 | 53 | 2.0 |
※最大長さ1000L以上の場合はお問合せください。



